
脹緊套型號: Z19A Z19B(點擊其它型號)
脹緊套注意事項:建議對輪轂和軸進行淬火等熱處理。軸強度不夠,導致傳達扭矩降低,或使連接環附著于軸上,無法將其拔出連接,拆卸后,重新使用時,要注意螺栓的變形和變長問題等。螺栓發生變性,變長問題時,不可重新使用。需更換新螺栓。脹緊套特征:可傳達高扭矩。擰緊時,不向輪轂軸向移動。 便于調整軸向的位置,安裝及拆卸,提 高工作效率。除特殊尺寸產品以外,普通產品只可通過使螺栓松動,進行拆卸。該產品有拆卸 用螺絲孔,在因鐵銹難以拆卸的條件下,也可輕松拆卸。
脹緊套咨詢/訂購示例:
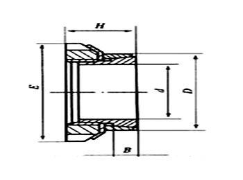
1).型號-內徑+外徑 Z19B型、內徑d=15mm、外徑D=25mm
Z19B-15×25
2).型號不清楚 需提供:內徑、外徑、高度
脹緊套產品規格型號表:
脹緊套基本尺寸(mm) Dimensions | 額定負荷 | 螺母 | 脹套與軸結結 合面上的壓力 pt N/mm2 | 脹套與輪載結合面 上的壓力 pt N/mm2 | 重 量 kg |
型 號 | d | D | E | H | B | 轉矩 Mt kN.m | 軸向力 Ft kN | d1 | MA N.m |
Z19B-14X25 | 14 | 25 | 32 | 30 | 20 | 64 | 9.1 | M20×1 | 95 | 85 | 45 | 0.08 |
Z19B-15X25 | 15 | 25 | 32 | 30 | 20 | 70 | 9.1 | M20×1 | 95 | 80 | 45 | 0.08 |
Z19B-16X25 | 16 | 25 | 32 | 30 | 20 | 73 | 9.1 | M20×1 | 95 | 75 | 45 | 0.07 |
Z19B-17X25 | 17 | 25 | 32 | 32 | 20 | 80 | 9.1 | M22×1 | 95 | 70 | 45 | 0.07 |
Z19B-18X30 | 18 | 30 | 32 | 32 | 20 | 83 | 9.1 | M22×1 | 95 | 65 | 40 | 0.12 |
Z19B-19X30 | 19 | 30 | 38 | 32 | 20 | 105 | 11 | M25×1.5 | 160 | 75 | 45 | 0.11 |
Z19B-20X30 | 20 | 30 | 38 | 32 | 20 | 112 | 11 | M25×1.5 | 160 | 70 | 45 | 0.1 |
Z19B-22X22 | 22 | 35 | 45 | 36 | 25 | 163 | 14.5 | M30×1.5 | 220 | 70 | 45 | 0.17 |
Z19B-24X35 | 24 | 35 | 45 | 36 | 25 | 178 | 14.5 | M30×1.5 | 220 | 65 | 45 | 0.15 |
Z19B-25X35 | 25 | 35 | 45 | 36 | 25 | 185 | 14.5 | M30×1.5 | 220 | 60 | 45 | 0.14 |
Z19B-28X40 | 28 | 40 | 52 | 42 | 30 | 250 | 14.5 | M35×1.5 | 340 | 55 | 40 | 0.22 |
Z19B-30X40 | 30 | 40 | 52 | 42 | 30 | 270 | 17.5 | M35×1.5 | 340 | 50 | 40 | 0.19 |
Z19B-32X42 | 32 | 42 | 52 | 44 | 30 | 350 | 21.5 | M36×1.5 | 340 | 60 | 45 | 0.2 |
Z19B-32X45 | 32 | 45 | 58 | 44 | 30 | 350 | 21.5 | M40×1.5 | 480 | 60 | 45 | 0.27 |
Z19B-35X45 | 35 | 45 | 58 | 44 | 30 | 390 | 21.5 | M40×1.5 | 480 | 55 | 45 | 0.22 |
Z19B-38X50 | 38 | 50 | 65 | 45 | 30 | 500 | 26 | M45×1.5 | 680 | 60 | 45 | 0.3 |
Z19B-40X50 | 40 | 50 | 65 | 45 | 30 | 520 | 26 | M45×1.5 | 680 | 60 | 50 | 0.25 |
Z19B-45X55 | 45 | 55 | 70 | 46 | 30 | 680 | 30 | M50×1.5 | 870 | 60 | 50 | 0.29 |
Z19B-48X60 | 48 | 60 | 75 | 46 | 30 | 840 | 35 | M55×2 | 970 | 60 | 50 | 0.37 |
Z19B-50X60 | 50 | 60 | 75 | 46 | 30 | 880 | 35 | M55×2 | 970 | 60 | 50 | 0.32 |
Z19B-55X65 | 55 | 65 | 80 | 46 | 30 | 1030 | 37.5 | M60×2 | 1100 | 60 | 50 | 0.34 |
Z19B-60X70 | 60 | 70 | 85 | 52 | 30 | 1360 | 45 | M65×2 | 1300 | 65 | 55 | 0.42 |
乙諦脹緊套工作原理:
脹緊套是一種無鍵聯結裝置,其原理和用途是通過高強度拉力螺栓的作用,在內環與軸之間、外環與輪轂之間產生巨大抱緊力,以實現機件與軸的無鍵聯結。當承受負荷時,靠脹套與機件、軸的結合壓力及相伴產生的摩擦力傳遞轉矩、軸向力或二者的復合載荷。脹套聯接主要有以下優點:對中精度高;安裝/調整/拆卸方便;強度高,聯結穩定可靠;在超載時可以保護設備不受損壞,尤其適用于傳遞重型負荷。廣泛應用于重型機械、風力發電、包裝機械、印刷機械、數控機床、自動化設備等領域。