
脹緊套型號:Z1型
脹緊套表面:光飾、拋光
脹緊套材質:45#,40Cr,304,430等
脹緊套用途:泵,cam,鏈輪,齒輪及滑車等
脹緊套特征:無需對軸,輪轂進行鍵槽加工,沒有槽口使零件強度增加。通過節 能,節省空間可傳達高扭矩。 與大小相比,可獲得很大的傳達力。 容易調整軸向的位置,提高工作效率。作為普及型具有通用性,可與其他公司同形產品兼容。
注意事項:沒有自對中特性,以插入輪轂部分的方式進行自對中工作。進行組合時,有時輪轂會移動。此時,需要預留可在輪轂前面或后面適當地移動的空間。沒有可移動的空間,或空間不足時,可能難以拆卸或使傳達扭矩下降。
脹緊套咨詢/訂購示例:
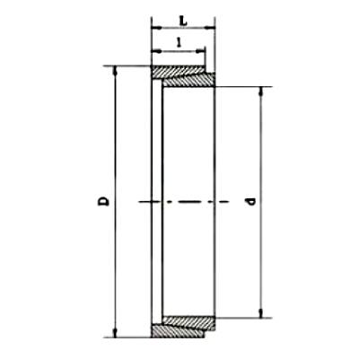
1).型號-內徑+外徑 Z1型、內徑d=25mm、外徑D=30mm
Z1-25×30
2).型號不清楚 需提供:內徑、外徑、高度
脹緊套產品規格型號表:
脹緊套基本尺寸 | 當Pf=100N/mm2時的額定負荷 | 重 量 kg |
型號 | d | D | L | 1 | 軸 向 力 F1 KN | 轉 矩 M1 KN·m |
Z1-10X13 | 10 | 13 | 4.5 | 3.7 | 1.4 | 0.007 | 0.01 |
Z1-12X15 | 12 | 15 | 1.6 | 0.0098 | 0.01 |
Z1-13X16 | 13 | 16 | 1.8 | 0.011 | 0.01 |
Z1-14X18 | 14 | 18 | 6.3 | 5.3 | 2.8 | 0.019 | 0.01 |
Z1-15X19 | 15 | 19 | 3.0 | 0.022 | 0.01 |
Z1-16X20 | 16 | 20 | 3.2 | 0.025 | 0.01 |
Z1-17X21 | 17 | 21 | 3.4 | 0.028 | 0.01 |
Z1-18X22 | 18 | 22 | 3.6 | 0.032 | 0.01 |
Z1-19X24 | 19 | 24 | 3.8 | 0.035 | 0.01 |
Z1-20X25 | 20 | 25 | 4.0 | 0.04 | 0.01 |
Z1-22X26 | 22 | 26 | 4.5 | 0.05 | 0.01 |
Z1-25X30 | 25 | 30 | 5.0 | 0.06 | 0.01 |
Z1-28X32 | 28 | 32 | 5.6 | 0.08 | 0.01 |
Z1-30X35 | 30 | 35 | 6.0 | 0.09 | 0.01 |
Z1-32X36 | 32 | 36 | 6.4 | 0.10 | 0.01 |
Z1-35X40 | 35 | 40 | 7.0 | 6.0 | 8.2 | 0.15 | 0.02 |
Z1-40X45 | 40 | 45 | 8.0 | 6.6 | 9.9 | 0.20 | 0.02 |
Z1-45X52 | 45 | 52 | 10.0 | 8.6 | 14.6 | 0.33 | 0.04 |
Z1-50X57 | 50 | 57 | 16.2 | 0.40 | 0.05 |
Z1-55X62 | 55 | 62 | 17.8 | 0.49 | 0.05 |
Z1-60X68 | 60 | 68 | 12.0 | 10.4 | 23.5 | 0.70 | 0.07 |
Z1-65X73 | 65 | 73 | 25.6 | 0.83 | 0.08 |
Z1-70X79 | 70 | 79 | 14.0 | 12.2 | 32.0 | 1.12 | 0.11 |
Z1-75X84 | 75 | 84 | 34.4 | 1.29 | 0.12 |
Z1-80X91 | 80 | 91 | 17.0 | 15.0 | 45.0 | 1.81 | 0.19 |
Z1-85X96 | 85 | 96 | 48.0 | 2.04 | 0.20 |
Z1-90X101 | 90 | 101 | 51.0 | 2.29 | 0.22 |
Z1-95X106 | 95 | 106 | 54.0 | 2.55 | 0.23 |
Z1-100X114 | 100 | 114 | 21.0 | 18.7 | 70.0 | 3.50 | 0.38 |
Z1-105X119 | 105 | 119 | 73.2 | 3.82 | 0.40 |
Z1-110X124 | 110 | 124 | 77.0 | 4.25 | 0.41 |
Z1120X134 | 120 | 134 | 84.0 | 5.05 | 0.45 |
Z1-125X139 | 125 | 139 | 92.0 | 5.75 | 0.62 |
Z1-130X148 | 130 | 148 | 28.0 | 25.3 | 124.0 | 8.05 | 0.85 |
Z1-140X158 | 140 | 158 | 134.0 | 9.35 | 0.91 |
Z1-150X160 | 150 | 168 | 143.0 | 10.70 | 0.97 |
Z1-160X178 | 160 | 178 | 152.5 | 12.20 | 1.02 |
Z1-170X191 | 170 | 191 | 33.0 | 30.0 | 192.0 | 16.30 | 1.50 |
Z1-180X201 | 180 | 201 | 204.0 | 18.30 | 1.58 |
Z1-190X211 | 190 | 211 | 214.0 | 20.40 | 1.68 |
Z1-200X224 | 200 | 224 | 38.0 | 34.8 | 262.0 | 26.20 | 2.32 |
Z1-210X234 | 210 | 234 | 275 | 28.90 | 2.45 |
Z1-220X244 | 220 | 244 | 288.0 | 37.70 | 2.49 |
Z1-240X267 | 240 | 267 | 42.0 | 39.5 | 358.0 | 43.00 | 3.52 |
Z1-250X280 | 250 | 280 | 48.0 | 44.0 | 415 | 52.00 | 4.68 |
Z1-260X290 | 260 | 290 | 435.0 | 56.50 | 4.82 |
Z1-280X313 | 280 | 313 | 53.0 | 49.0 | 520.0 | 72.50 | 6.27 |
Z1-300X333 | 300 | 333 | 555.0 | 83.00 | 6.47 |
Z1-320X360 | 320 | 360 | 65.0 | 59.0 | 710.0 | 114.00 | 10.90 |
Z1-340X380 | 340 | 380 | 755 | 128.50 | 11.50 |
Z1-360X400 | 360 | 400 | 800 | 144.00 | 12.20 |
Z1-380X420 | 380 | 420 | 845 | 160.50 | 12.80 |
Z1-400X440 | 400 | 440 | 890 | 178.00 | 13.50 |
Z1-420X460 | 420 | 460 | 935 | 196.00 | 14.10 |
Z1-450X490 | 450 | 490 | 998.0 | 224.50 | 15.20 |
Z1-480X520 | 480 | 520 | 1070.0 | 256.00 | 16.00 |
Z1-500X540 | 500 | 540 | 1110.0 | 278.00 | 16.50 |
注:Pf為脹緊聯結套與軸結合面上的壓力。 |
乙諦脹緊套原理:
脹緊套是一種無鍵聯結裝置,其原理和用途是通過高強度拉力螺栓的作用,在內環與軸之間、外環與輪轂之間產生巨大抱緊力,以實現機件與軸的無鍵聯結。當承受負荷時,靠脹套與機件、軸的結合壓力及相伴產生的摩擦力傳遞轉矩、軸向力或二者的復合載荷。脹套聯接主要有以下優點:對中精度高;安裝/調整/拆卸方便;強度高,聯結穩定可靠;在超載時可以保護設備不受損壞,尤其適用于傳遞重型負荷。廣泛應用于重型機械、風力發電、包裝機械、印刷機械、數控機床、自動化設備等領域。